|
|---|
双锥混合机(可做欧盟CE & PED认证)
Double Cone Blender & Mixer ( Can be CE&PED certificated )

1、概述 1 金属粉末:铝.铅、锌、铜、铁、镍、合金、磁性材料等金属为粉末。 2. 树脂、塑料、橡胶助剂、染料、农药填充料等化工化学材料。 3. 符合卫生指标设计的食品类:面粉、可可、咖啡、调味品、添加剂等等。 4. 按GMPS要求设计的中西原料药,西药,中成药。 5. 粮食类的谷物、玉米、豆类、芝麻等作物精选、去壳、去杂。 6. 磨料:玻璃粉珠、氧化铝、刚玉、氯炭、金刚砂、石英砂等其他研磨材料。 7. 饲料加工粉末、颗粒、添加剂等。 8. 肥料的原料筛分和其他成品精筛。 9. 矿产中的各种矿原粉及其加工后的成品筛分。 10. 纤维性物料:木屑、木粉、木炭、活性炭、炭黑及其它纤维物料。 11. 电焊料、耐火材料、荧光粉等各种物料及资源的回收利用。 3、特点 (一)该机由一台电动机拖动,筒体由链轮带动,搅拌叶片由三角带带动,结构简单,传动可靠,维修方便; (二)该机双锥筒支撑轴承采用了机械密封的隔尘处理,具有可靠的密封效果,粉料不会泄漏,不会因物料进到轴承内,导致轴承快速磨损而破坏; (三)双锥筒进料口采用快开旋开阀,出料口采用大口径90°旋阀,使用特别方便。 注:1、混合的物料容重大于3的物料需另订做; 2、该机密封效果很好,可用于液相物料的混合; 3、根据客户要求定制喷液或添加剂装置; 4、可根据用户需要改作成真空干燥机。 |
1.Overview 2.1 Metal Powder: Aluminum. Metals such as lead, zinc, copper, iron, nickel, alloys, and magnetic materials are powders. 2.2. Chemicals such as resins, plastics, rubber chemicals, dyes, and pesticides. 2.3. Foods that meet the hygienic design criteria: flour, cocoa, coffee, spices, additives, etc. 2.4. According to the GMPS requirements of the design of Chinese and Western raw materials, Western medicine, Chinese patent medicine. 2.5. Grain, corn, beans, sesame and other crops are selected, shelled, and miscellaneous. 2.6. Abrasive: Glass beads, alumina, corundum, chlorocarbon, corundum, quartz sand and other abrasive materials. 2.7. Feed processing powder, granules, additives and so on. 2.8. Fertilizer raw material screening and other finished product screening. 2.9. Various raw ore of minerals in the mine and the finished product after screening. 2.10. Fibrous materials: wood chips, wood flour, charcoal, activated carbon, carbon black and other fiber materials. 2.11. Recycling of various materials and resources such as electrical solders, refractory materials, and phosphors. 3, characteristics (1) The machine is driven by a motor, the cylinder body is driven by the sprocket, the stirring blade is driven by the triangle belt, the structure is simple, the transmission is reliable, and the maintenance is convenient; (2) The double cone-cone support bearing of the machine adopts the dust-proof treatment of the mechanical seal and has a reliable sealing effect. The powder will not leak, and the material will not enter into the bearing, resulting in rapid wear and destruction of the bearing; (3) The double cone inlet adopts a quick opening and swinging valve, and the discharge port adopts a large-diameter 90° valve, which is particularly convenient to use. Note: 1. Materials with mixed material content greater than 3 must be ordered separately; 2, the machine sealing effect is very good, can be used for liquid material mixing; 3, according to customer requirements custom spray or additive device; 4, according to the needs of users to change into a vacuum dryer. |
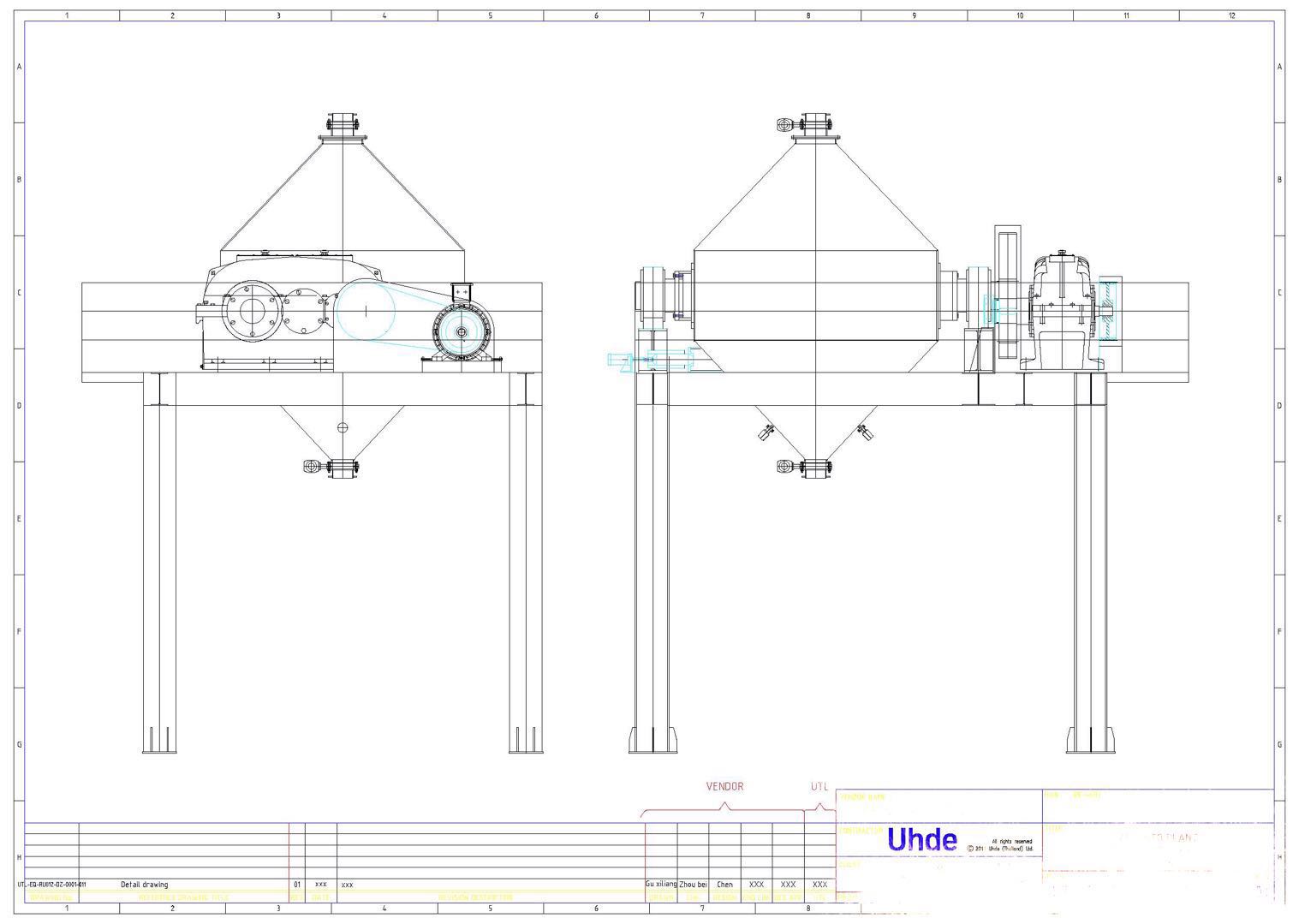
4.工艺流程图schematic diagram

5.技术参数( Technical Parameter ):
| 型号 | W-180 | W-300 | W-500 | W-1000 | W-1500 | W-2000 | W-2500 | W-3000 | W-4000 | W-15000 |
| 全容积(m3) | 0.18 | 0.3 | 0.5 | 1.0 | 1.5 | 2.0 | 2.5 | 3.0 | 4.0 | 15 |
| 生产能力(Kg/次) | 40 | 60 | 100 | 200 | 300 | 400 | 500 | 600 | 800 | 20000 |
| 混合时间(min) | 4-8 | 6-10 | 6-10 | 6-10 | 6-10 | 6-10 | 6-10 | 6-10 | 6-10 | 30-120 |
| 筒体转速(rpm) | 12 | 12 | 12 | 12 | 12 | 12 | 12 | 7.8 | 7.8 | ~5 |
| 功率(Kw) | 1.1 | 1.1 | 2.2 | 4 | 4 | 7.5 | 7.5 | 7.5 | 11 | 135~160 |
外形尺寸 长*宽*高(mm) |
1400× 800×1850 |
1685× 800×1850 |
1910× 800×1940 |
2765× 1500×2370 |
2960× 1500×2480 |
3160× 1900×3500 |
3386× 1900×3560 |
4450× 2200×3600 |
4750× 2500×3680 |
6700×6000×6000 |
| 回转高度(mm) | 1850 | 1850 | 1950 | 2460 | 2540 | 3590 | 3650 | 3700 | 3730 | 6000 |
| 重量(Kg) | 280 | 310 | 550 | 810 | 980 | 1500 | 2150 | 2500 | 3200 | 20000 |
Contact:
|
Name: Mr.Jack Chen , Cell Phone : 0086-138-0611-9207 , Email: donautech@126.com Address: Shen'an Industry zone ,Zhenglu Town , Changzhou City ,Jiangsu Province , China . |
Name: Ms.Emily Zha, Cell Phone : 0086-137-7510-5518 , Email: Emilyzha@126.com Address: Shen'an Industry zone ,Zhenglu Town , Changzhou City ,Jiangsu Province , China . |